




| Size | Φ1.7 | Φ1.8 | Φ2.2 | Φ2.5 | Φ2.7 | Φ2.8 | Φ3.2 | Φ3.7 | Φ4.3 | Φ5.3 | Φ6.4 | Φ7.4 | Φ8.4 | Φ10.5 | Φ13 | Φ15 | ||
|---|---|---|---|---|---|---|---|---|---|---|---|---|---|---|---|---|---|---|
| M | For thread size | M1.6 | M1.7 | M2 | M2.3 | M2.5 | M2.6 | M3 | M3.5 | M4 | M5 | M6 | M7 | M8 | M10 | M12 | M14 | |
| d | min=nominal size | 1.7 | 1.8 | 2.2 | 2.5 | 2.7 | 2.8 | 3.2 | 3.7 | 4.3 | 5.3 | 6.4 | 7.4 | 8.4 | 10.5 | 13 | 15 | |
| max | 1.84 | 1.94 | 2.34 | 2.64 | 2.84 | 2.94 | 3.38 | 3.88 | 4.48 | 5.48 | 6.62 | 7.62 | 8.62 | 10.77 | 13.27 | 15.27 | ||
| dc | max=nominal size | 4 | 4.5 | 5 | 6 | 6 | 7 | 7 | 8 | 9 | 10 | 12 | 14 | 16 | 20 | 24 | 28 | |
| min | 3.7 | 4.2 | 4.7 | 5.7 | 5.7 | 6.64 | 6.64 | 7.64 | 8.64 | 9.64 | 11.57 | 13.57 | 15.57 | 19.48 | 23.48 | 27.48 | ||
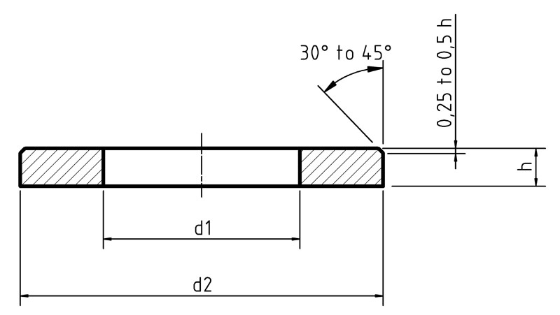
| h | Nominal Size | 0.3 | 0.3 | 0.3 | 0.5 | 0.5 | 0.5 | 0.5 | 0.5 | 0.8 | 1 | 1.6 | 1.6 | 1.6 | 2 | 2.5 | 2.5 | |
| max | 0.35 | 0.35 | 0.35 | 0.55 | 0.55 | 0.55 | 0.55 | 0.55 | 0.9 | 1.1 | 1.8 | 1.8 | 1.8 | 2.2 | 2.7 | 2.7 | ||
| min | 0.25 | 0.25 | 0.25 | 0.45 | 0.45 | 0.45 | 0.45 | 0.45 | 0.7 | 0.9 | 1.4 | 1.4 | 1.4 | 1.8 | 2.3 | 2.3 | ||
| Size | Φ17 | Φ19 | Φ21 | Φ23 | Φ25 | Φ27 | Φ28 | Φ29 | Φ31 | Φ33 | Φ34 | Φ36 | Φ37 | Φ39 | Φ40 | Φ41 | ||
| M | For thread size | M16 | M18 | M20 | M22 | M24 | M26 | M27 | M28 | M30 | M32 | M33 | M35 | M36 | M38 | M39 | M40 | |
| d | min=nominal size | 17 | 19 | 21 | 23 | 25 | 27 | 28 | 29 | 31 | 33 | 34 | 36 | 37 | 39 | 40 | 41 | |
| max | 17.27 | 19.33 | 21.33 | 23.33 | 25.33 | 27.33 | 28.33 | 29.33 | 31.39 | 33.62 | 34.62 | 36.62 | 37.62 | 39.62 | 40.62 | 41.62 | ||
| dc | max=nominal size | 30 | 34 | 37 | 39 | 44 | 50 | 50 | 50 | 56 | 60 | 60 | 66 | 66 | 72 | 72 | 72 | |
| min | 29.48 | 33.38 | 36.38 | 38.38 | 43.38 | 49.38 | 49.38 | 49.38 | 55.26 | 58.8 | 58.8 | 64.8 | 64.8 | 70.8 | 70.8 | 70.8 | ||
| h | Nominal Size | 3 | 3 | 3 | 3 | 4 | 4 | 4 | 4 | 4 | 5 | 5 | 5 | 5 | 6 | 6 | 6 | |
| max | 3.3 | 3.3 | 3.3 | 3.3 | 4.3 | 4.3 | 4.3 | 4.3 | 4.3 | 5.6 | 5.6 | 5.6 | 5.6 | 6.6 | 6.6 | 6.6 | ||
| min | 2.7 | 2.7 | 2.7 | 2.7 | 3.7 | 3.7 | 3.7 | 3.7 | 3.7 | 4.4 | 4.4 | 4.4 | 4.4 | 5.4 | 5.4 | 5.4 | ||
| Size | Φ43 | Φ46 | Φ50 | Φ52 | Φ54 | Φ57 | Φ58 | Φ60 | Φ62 | Φ66 | Φ70 | Φ74 | Φ78 | Φ82 | Φ87 | Φ93 | ||
| M | For thread size | M42 | M45 | M48 | M50 | M52 | M55 | M56 | M58 | M60 | M64 | M68 | M72 | M76 | M80 | M85 | M90 | |
| d | min=nominal size | 43 | 46 | 50 | 52 | 54 | 57 | 58 | 60 | 62 | 66 | 70 | 74 | 78 | 82 | 87 | 93 | |
| max | 43.62 | 46.62 | 50.62 | 52.74 | 54.74 | 57.74 | 58.74 | 60.74 | 62.74 | 66.74 | 70.74 | 74.74 | 78.74 | 82.87 | 87.87 | 93.87 | ||
| dc | max=nominal size | 78 | 85 | 92 | 92 | 98 | 105 | 105 | 110 | 110 | 115 | 120 | 125 | 135 | 140 | 145 | 160 | |
| min | 76.8 | 83.6 | 90.6 | 90.6 | 96.6 | 103.6 | 103.6 | 108.6 | 108.6 | 113.6 | 118.6 | 123.4 | 133.4 | 138.4 | 143.4 | 158.4 | ||
| h | Nominal Size | 7 | 7 | 8 | 8 | 8 | 9 | 9 | 9 | 9 | 9 | 10 | 10 | 10 | 12 | 12 | 12 | |
| max | 8 | 8 | 9 | 9 | 9 | 10 | 10 | 10 | 10 | 10 | 11 | 11 | 11 | 13.2 | 13.2 | 13.2 | ||
| min | 6 | 6 | 7 | 7 | 7 | 8 | 8 | 8 | 8 | 8 | 9 | 9 | 9 | 10.8 | 10.8 | 10.8 | ||
| Size | Φ98 | Φ104 | Φ109 | Φ114 | Φ119 | Φ124 | Φ129 | Φ134 | Φ139 | Φ144 | Φ149 | Φ155 | Φ165 | |||||
| M | For thread size | M95 | M100 | M105 | M110 | M115 | M120 | M125 | M130 | M135 | M140 | M145 | M150 | M160 | ||||
| d | min=nominal size | 98 | 104 | 109 | 114 | 119 | 124 | 129 | 134 | 139 | 144 | 149 | 155 | 165 | ||||
| max | 98.87 | 104.87 | 109.87 | 114.87 | 119.87 | 125 | 130 | 135 | 140 | 145 | 150 | 156 | 166 | |||||
| dc | max=nominal size | 165 | 175 | 180 | 185 | 200 | 210 | 220 | 220 | 230 | 240 | 250 | 250 | 250 | ||||
| min | 163.4 | 173.4 | 178.4 | 183.15 | 198.15* | 208.15 | 218.15 | 218.15 | 228.15 | 238.15 | 248.15 | 248.15 | 248.15 | |||||
| h | Nominal Size | 12 | 14 | 14 | 14 | 14 | 16 | 16 | 16 | 16 | 18 | 18 | 18 | 18 | ||||
| max | 13.2 | 15.2 | 15.2 | 15.2 | 15.2 | 17.2 | 17.2 | 17.2 | 17.2 | 19.2 | 19.2 | 19.2 | 19.2 | |||||
| min | 10.8 | 12.8 | 12.8 | 12.8 | 12.8 | 14.8 | 14.8 | 14.8 | 14.8 | 16.8 | 16.8 | 16.8 | 16.8 | |||||

| Size | Φ1.7 | Φ1.8 | Φ2.2 | Φ2.5 | Φ2.7 | Φ2.8 | Φ3.2 | Φ3.7 | Φ4.3 | Φ5.3 | Φ6.4 | Φ7.4 | Φ8.4 | Φ10.5 | Φ13 | Φ15 | ||
|---|---|---|---|---|---|---|---|---|---|---|---|---|---|---|---|---|---|---|
| M | For thread size | M1.6 | M1.7 | M2 | M2.3 | M2.5 | M2.6 | M3 | M3.5 | M4 | M5 | M6 | M7 | M8 | M10 | M12 | M14 | |
| d | min=nominal size | 1.7 | 1.8 | 2.2 | 2.5 | 2.7 | 2.8 | 3.2 | 3.7 | 4.3 | 5.3 | 6.4 | 7.4 | 8.4 | 10.5 | 13 | 15 | |
| max | 1.84 | 1.94 | 2.34 | 2.64 | 2.84 | 2.94 | 3.38 | 3.88 | 4.48 | 5.48 | 6.62 | 7.62 | 8.62 | 10.77 | 13.27 | 15.27 | ||
| dc | max=nominal size | 4 | 4.5 | 5 | 6 | 6 | 7 | 7 | 8 | 9 | 10 | 12 | 14 | 16 | 20 | 24 | 28 | |
| min | 3.7 | 4.2 | 4.7 | 5.7 | 5.7 | 6.64 | 6.64 | 7.64 | 8.64 | 9.64 | 11.57 | 13.57 | 15.57 | 19.48 | 23.48 | 27.48 | ||
| h | Nominal Size | 0.3 | 0.3 | 0.3 | 0.5 | 0.5 | 0.5 | 0.5 | 0.5 | 0.8 | 1 | 1.6 | 1.6 | 1.6 | 2 | 2.5 | 2.5 | |
| max | 0.35 | 0.35 | 0.35 | 0.55 | 0.55 | 0.55 | 0.55 | 0.55 | 0.9 | 1.1 | 1.8 | 1.8 | 1.8 | 2.2 | 2.7 | 2.7 | ||
| min | 0.25 | 0.25 | 0.25 | 0.45 | 0.45 | 0.45 | 0.45 | 0.45 | 0.7 | 0.9 | 1.4 | 1.4 | 1.4 | 1.8 | 2.3 | 2.3 | ||
| da | max | 2 | 2.1 | 2.6 | 2.9 | 3.1 | 3.2 | 3.6 | 4.1 | 4.7 | 5.7 | 6.8 | 7.8 | 9.2 | 11.2 | 13.7 | 15.7 | |
| min | 1.8 | 1.9 | 2.4 | 2.7 | 2.9 | 3 | 3.4 | 3.9 | 4.5 | 5.5 | 6.6 | 7.6 | 9 | 11 | 13.5 | 15.5 | ||
| r | ≈ | 0.15 | 0.15 | 0.15 | 0.2 | 0.2 | 0.2 | 0.2 | 0.2 | 0.2 | 0.2 | 0.2 | 0.2 | 0.4 | 0.4 | 0.4 | 0.4 | |
| Size | Φ17 | Φ19 | Φ21 | Φ23 | Φ25 | Φ27 | Φ28 | Φ29 | Φ31 | Φ33 | Φ34 | Φ36 | Φ37 | Φ39 | Φ40 | Φ41 | ||
| M | For thread size | M16 | M18 | M20 | M22 | M24 | M26 | M27 | M28 | M30 | M32 | M33 | M35 | M36 | M38 | M39 | M40 | |
| d | min=nominal size | 17 | 19 | 21 | 23 | 25 | 27 | 28 | 29 | 31 | 33 | 34 | 36 | 37 | 39 | 40 | 41 | |
| max | 17.27 | 19.33 | 21.33 | 23.33 | 25.33 | 27.33 | 28.33 | 29.33 | 31.39 | 33.62 | 34.62 | 36.62 | 37.62 | 39.62 | 40.62 | 41.62 | ||
| dc | max=nominal size | 30 | 34 | 37 | 39 | 44 | 50 | 50 | 50 | 56 | 60 | 60 | 66 | 66 | 72 | 72 | 72 | |
| min | 29.48 | 33.38 | 36.38 | 38.38 | 43.38 | 49.38 | 49.38 | 49.38 | 55.26 | 58.8 | 58.8 | 64.8 | 64.8 | 70.8 | 70.8 | 70.8 | ||
| h | Nominal Size | 3 | 3 | 3 | 3 | 4 | 4 | 4 | 4 | 4 | 5 | 5 | 5 | 5 | 6 | 6 | 6 | |
| max | 3.3 | 3.3 | 3.3 | 3.3 | 4.3 | 4.3 | 4.3 | 4.3 | 4.3 | 5.6 | 5.6 | 5.6 | 5.6 | 6.6 | 6.6 | 6.6 | ||
| min | 2.7 | 2.7 | 2.7 | 2.7 | 3.7 | 3.7 | 3.7 | 3.7 | 3.7 | 4.4 | 4.4 | 4.4 | 4.4 | 5.4 | 5.4 | 5.4 | ||
| da | max | 17.7 | 20.2 | 22.4 | 24.4 | 26.4 | 28.4 | 30.4 | 31.4 | 33.4 | 35.4 | 36.4 | 38.4 | 39.4 | 41.4 | 42.4 | 43.6 | |
| min | 17.5 | 20 | 22 | 24 | 26 | 28 | 30 | 31 | 33 | 35 | 36 | 38 | 39 | 41 | 42 | 43 | ||
| r | ≈ | 0.4 | 0.6 | 0.7 | 0.7 | 0.7 | 0.7 | 1.2 | 1.2 | 1.2 | 1.2 | 1.2 | 1.2 | 1.2 | 1.2 | 1.2 | 1.3 | |
| Size | Φ43 | Φ46 | Φ50 | Φ52 | Φ54 | Φ57 | Φ58 | Φ60 | Φ62 | Φ66 | Φ70 | Φ74 | Φ78 | Φ82 | Φ87 | Φ93 | ||
| M | For thread size | M42 | M45 | M48 | M50 | M52 | M55 | M56 | M58 | M60 | M64 | M68 | M72 | M76 | M80 | M85 | M90 | |
| d | min=nominal size | 43 | 46 | 50 | 52 | 54 | 57 | 58 | 60 | 62 | 66 | 70 | 74 | 78 | 82 | 87 | 93 | |
| max | 43.62 | 46.62 | 50.62 | 52.74 | 54.74 | 57.74 | 58.74 | 60.74 | 62.74 | 66.74 | 70.74 | 74.74 | 78.74 | 82.87 | 87.87 | 93.87 | ||
| dc | max=nominal size | 78 | 85 | 92 | 92 | 98 | 105 | 105 | 110 | 110 | 115 | 120 | 125 | 135 | 140 | 145 | 160 | |
| min | 76.8 | 83.6 | 90.6 | 90.6 | 96.6 | 103.6 | 103.6 | 108.6 | 108.6 | 113.6 | 118.6 | 123.4 | 133.4 | 138.4 | 143.4 | 158.4 | ||
| h | Nominal Size | 7 | 7 | 8 | 8 | 8 | 9 | 9 | 9 | 9 | 9 | 10 | 10 | 10 | 12 | 12 | 12 | |
| max | 8 | 8 | 9 | 9 | 9 | 10 | 10 | 10 | 10 | 10 | 11 | 11 | 11 | 13.2 | 13.2 | 13.2 | ||
| min | 6 | 6 | 7 | 7 | 7 | 8 | 8 | 8 | 8 | 8 | 9 | 9 | 9 | 10.8 | 10.8 | 10.8 | ||
| da | max | 45.6 | 48.6 | 52.6 | 54.6 | 56.6 | 60 | 63 | 65 | 67 | 71 | 75 | 79 | 83 | 87 | 92 | 97 | |
| min | 45 | 48 | 52 | 54 | 56 | 59 | 62 | 64 | 66 | 70 | 74 | 78 | 82 | 86 | 91 | 96 | ||
| r | ≈ | 1.3 | 1.3 | 1.3 | 1.3 | 1.3 | 1.5 | 2.5 | 2.5 | 2.5 | 2.5 | 2.5 | 2.5 | 2.5 | 2.5 | 2.5 | 2 | |
| Size | Φ98 | Φ104 | Φ109 | Φ114 | Φ119 | Φ124 | Φ129 | Φ134 | Φ139 | Φ144 | Φ149 | Φ155 | Φ165 | |||||
| M | For thread size | M95 | M100 | M105 | M110 | M115 | M120 | M125 | M130 | M135 | M140 | M145 | M150 | M160 | ||||
| d | min=nominal size | 98 | 104 | 109 | 114 | 119 | 124 | 129 | 134 | 139 | 144 | 149 | 155 | 165 | ||||
| max | 98.87 | 104.87 | 109.87 | 114.87 | 119.87 | 125 | 130 | 135 | 140 | 145 | 150 | 156 | 166 | |||||
| dc | max=nominal size | 165 | 175 | 180 | 185 | 200 | 210 | 220 | 220 | 230 | 240 | 250 | 250 | 250 | ||||
| min | 163.4 | 173.4 | 178.4 | 183.15 | 198.15* | 208.15 | 218.15 | 218.15 | 228.15 | 238.15 | 248.15 | 248.15 | 248.15 | |||||
| h | Nominal Size | 12 | 14 | 14 | 14 | 14 | 16 | 16 | 16 | 16 | 18 | 18 | 18 | 18 | ||||
| max | 13.2 | 15.2 | 15.2 | 15.2 | 15.2 | 17.2 | 17.2 | 17.2 | 17.2 | 19.2 | 19.2 | 19.2 | 19.2 | |||||
| min | 10.8 | 12.8 | 12.8 | 12.8 | 12.8 | 14.8 | 14.8 | 14.8 | 14.8 | 16.8 | 16.8 | 16.8 | 16.8 | |||||
| da | max | 102 | 108 | 113 | 118 | 123 | 128 | 133 | 138 | 143 | 148 | 153 | 159 | 169 | ||||
| min | 101 | 107 | 112 | 117 | 122 | 127 | 132 | 137 | 142 | 147 | 152 | 158 | 168 | |||||
| r | ≈ | 2 | 2 | 2 | 2 | 2 | 2 | 2 | 2 | 2 | 2 | 2 | 2 | 2 | ||||